特点及用途
2X型泵是用来对密封容器抽除气体获得真空的基本设备之一。可单独使用,也可作为增压泵、扩散泵、分子泵等的前级泵。可用于真空冶炼、真空焊接,真空浸渍、镀膜、真空干燥以及化工制药,电真空器件等工业的真空作业。
注意事项:
a、泵可在环境温度5~40℃范围内和进口压强小于1330Pa的条件下,允许长期连续工作。
b、泵不适用于抽除含氧过高、有毒的、有爆炸性的,对金属有腐蚀作用的、对泵油起化学反应的,以及含有颗粒尘埃的气体,也不适用于把气体从一个容器输送到另一容器,作输送泵用。
c、泵在大气压到6000Pa的进口压力下的连续工作时间不超过3分钟,以免喷油或润滑不良引起泵损坏。

主要技术参数
|
型 号 |
2X-4A |
2X-8B |
2X-8A |
2X-15A |
2X-3OA |
2X-70A |
|
抽气速率 |
L/S |
4 |
8 |
15 |
30 |
70 |
|
m3/min |
0.24 |
0.48 |
0.9 |
1.8 |
4.2 |
|
极限压力(≤Pa) |
≤6×10-2 |
|
电机功率(kw) |
0.55 |
1.1 |
2.2 |
3 |
5.5 |
|
温升(℃) |
≤40 |
|
进气口径(mm) |
25 |
40 |
36 |
36 |
65 |
80 |
|
泵转速(rpm) |
500 |
590 |
320 |
320 |
450 |
420 |
|
用油量(L) |
1.0 |
2.0 |
2.8 |
3.0 |
4.2 |
|
噪音dB(A) |
≤68 |
≤70 |
≤75 |
≤78(~70) |
≤80(~75) |
|
外形尺寸(cm) |
55×34×41 |
55×43×44 |
79×43×54 |
79×53×54 |
78×50×56 |
91×65×70 |
|
适用电磁阀型号 |
DDC-JQ25 |
DDC-JQ40 |
DDC-JQ65 |
DDC-JQ80 |
|
重量(Kg) |
55 |
68 |
156 |
205 |
220 |
400 |
|
冷却方式 |
自 然 冷 却 |
水 冷 |
|
冷却水量:(L/min) |
——— |
>1 |
>2 |
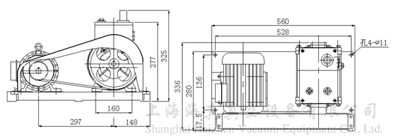
2X-4A外型尺寸

2X-8B外型尺寸

2X-8A/15A外型尺寸

2X-30A/70A外型尺寸

特性曲线
