特点及用途
主要用来抽除空气和其它有一定腐蚀性,不溶于水,允许含有少量粉尘的气体。广泛用于食品、纺织、医药、化工等行业的真空蒸发、浓缩、送料、脱水、干燥等工艺过程中。该系列泵具有结构紧凑,使用可靠,装拆方便,维修简单等特点。

主要技术参数
|
型 号 |
吸气量 |
极限 压力 Pa |
极限 真空 MPa |
功率(kw) |
转速 (r.p.m) |
压缩机压 力 Mpa |
口 径mm |
水耗量 L/min |
整机重kg |
|
L/S |
最大m3/min |
真空度为-450mmHg |
真空泵 |
压缩机 |
进 |
出 |
|
SK-1.5 |
25 |
1.5 |
1.35 |
10300 |
-0.091 |
3 |
4 |
1450 |
0~0.1 |
70 |
70 |
10~15 |
200 |
|
SK-3 |
50 |
3 |
2.8 |
8300 |
-0.093 |
5.5 |
7.5 |
1450 |
0~0.1 |
70 |
70 |
15~20 |
320 |
|
SK-6 |
100 |
6 |
5.4 |
8300 |
-0.093 |
11 |
15 |
1450 |
0~0.1 |
80 |
80 |
20~30 |
460 |
|
SK-9 |
150 |
9 |
8.1 |
8300 |
-0.093 |
15 |
22 |
970 |
0~0.1 |
80 |
80 |
30~40 |
620 |
|
SK-12 |
200 |
12 |
11 |
8300 |
-0.093 |
18.5 |
30 |
970 |
0~0.1 |
80 |
80 |
40~50 |
750 |
|
SK-15 |
250 |
15 |
13.5 |
8300 |
-0.093 |
30 |
45 |
970 |
0~0.1 |
80 |
80 |
50~60 |
1100 |
|
SK-20 |
333 |
20 |
18 |
8300 |
-0.093 |
37 |
55 |
740 |
0~0.1 |
150 |
150 |
60~80 |
1700 |
|
SK-30 |
500 |
30 |
28 |
8300 |
-0.093 |
55 |
75 |
740 |
0~0.1 |
150 |
150 |
70~100 |
2300 |
|
SK-42 |
700 |
42 |
37.2 |
8300 |
-0.093 |
75 |
-- |
740 |
0~0.1 |
150 |
150 |
95~130 |
2500 |
|
SK-60 |
1000 |
60 |
54 |
8300 |
-0.093 |
95 |
-- |
590 |
-- |
250 |
250 |
140~180 |
3500 |
|
SK-85 |
1416 |
85 |
76.5 |
8300 |
-0.093 |
132 |
-- |
590 |
-- |
250 |
250 |
180~220 |
3800 |
|
SK-120 |
2000 |
120 |
110 |
8300 |
-0.093 |
185 |
-- |
590 |
-- |
300 |
300 |
220~260 |
5520 |
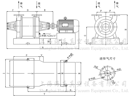
(1)SK-1.5、SK-3水环式真空泵外形及安装尺寸图

|
代号 |
A |
B |
C |
D |
E |
F |
G |
H |
I |
J |
K |
L |
M |
N |
|
SK-1.5 |
947 |
25 |
172 |
180 |
215 |
130 |
289 |
475 |
420 |
355 |
470 |
392 |
342 |
248 |
|
SK-3 |
1122 |
25 |
172 |
260 |
215 |
130 |
289 |
475 |
454 |
355 |
504 |
420 |
370 |
300 |
|
代号 |
P |
R |
S |
T |
W |
d1 |
d2 |
d3 |
d4 |
d5 |
Z |
V |
底脚螺栓 |
|
SK-1.5 |
513 |
100 |
260 |
735 |
177 |
70 |
160 |
130 |
14 |
18 |
187 |
40 |
M16×400 |
|
SK-3 |
640 |
100 |
370 |
900 |
177 |
70 |
160 |
130 |
14 |
18 |
195 |
60 |
M16×400 |
(2)SK-6、12、20、30、42水环式真空泵外形及安装尺寸图

SK-6、SK-12、SK-20、SK-30真空泵底脚安装尺寸图

SK-42真空泵底脚安装尺寸图

|
代号 |
A |
B |
C |
D |
E |
F |
G/G1 |
H |
I |
J |
K |
L |
M |
N |
|
SK-6 |
1432 |
114 |
370 |
457 |
30 |
235 |
800 |
1225 |
/ |
470 |
420 |
420 |
470 |
210 |
|
SK-12 |
1761 |
141 |
448 |
538 |
30 |
300 |
940 |
1468 |
858 |
580 |
520 |
460 |
520 |
280 |
|
SK-20 |
2100 |
141 |
491 |
609 |
30 |
340 |
1132 |
1780 |
/ |
690 |
630 |
630 |
690 |
350 |
|
SK-30 |
2500 |
144 |
556 |
674 |
30 |
405 |
1270 |
2020 |
685 |
690 |
630 |
720 |
780 |
350 |
|
SK-42 |
2720 |
144 |
630 |
750 |
30 |
480 |
1445 |
2221 |
711 |
690 |
630 |
700 |
760 |
350 |
|
代号 |
P |
R |
S |
T |
W |
X |
Z |
d1 |
d2 |
d3 |
d4 |
d5 |
n |
底脚螺栓 |
|
SK-6 |
330 |
610 |
315 |
410 |
410 |
183 |
G1/2" |
80 |
130 |
14 |
160 |
18 |
4 |
M16×400 |
|
SK-12 |
440 |
740 |
355 |
520 |
460 |
163 |
G1/2" |
80 |
150 |
14 |
180 |
27 |
4 |
M24×600 |
|
SK-20 |
680 |
1010 |
485 |
650 |
650 |
220 |
G3/4" |
150 |
200 |
18 |
235 |
27 |
6 |
M24×600 |
|
SK-30 |
680 |
1010 |
485 |
650 |
720 |
220 |
G3/4" |
150 |
200 |
18 |
235 |
27 |
6 |
M24×600 |
|
SK-42 |
680 |
1015 |
490 |
650 |
708 |
225 |
G3/4" |
150 |
200 |
18 |
235 |
27 |
6 |
M24×600 |
特性曲线
